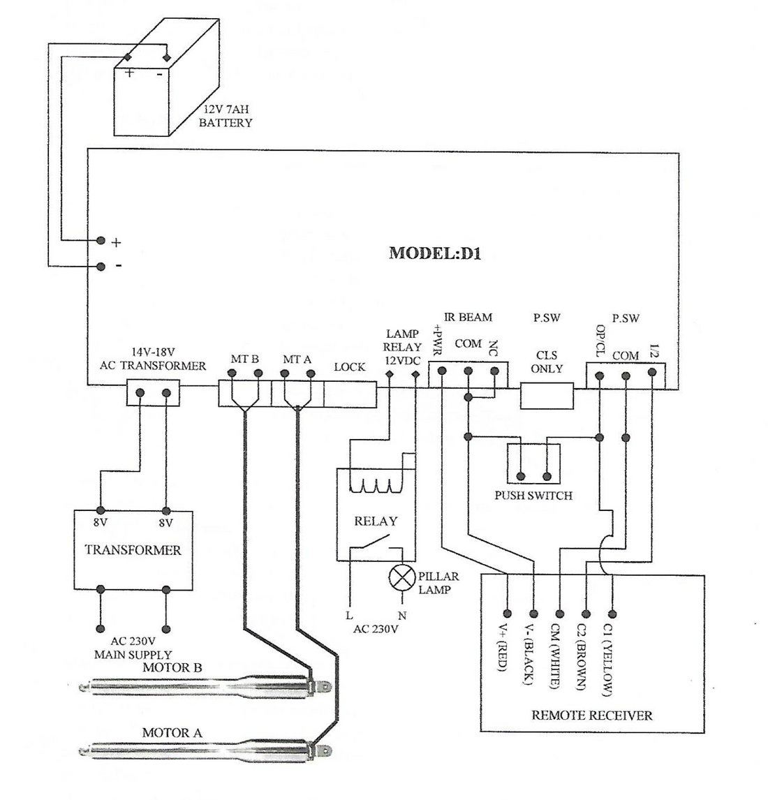
d1 sliding autoagate panel connectivity digram wireling
d1 sliding autoagate panel connectivity digram wireling October 31, 2024 Share Share Link Close share Copy link d1 sliding autoagate panel connectivity digram wireling Back to blog