CONNECTIVITY CONNECTION DIGRAM

swing gate control panel amp07 connectivity con...
swing gate control panel amp07 connectivity connection wireline
swing gate control panel amp07 connectivity con...
swing gate control panel amp07 connectivity connection wireline

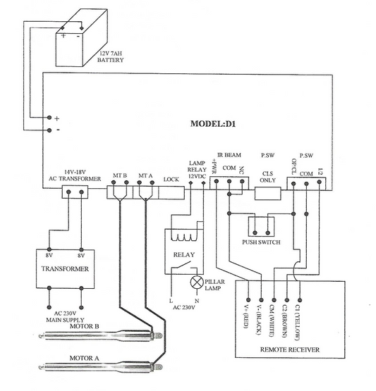
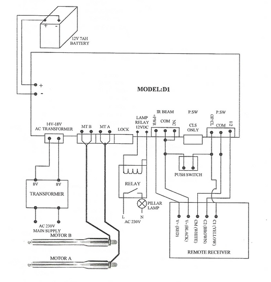
d1 sliding autoagate panel connectivity digram ...
d1 sliding autoagate panel connectivity digram wireling
d1 sliding autoagate panel connectivity digram ...
d1 sliding autoagate panel connectivity digram wireling

